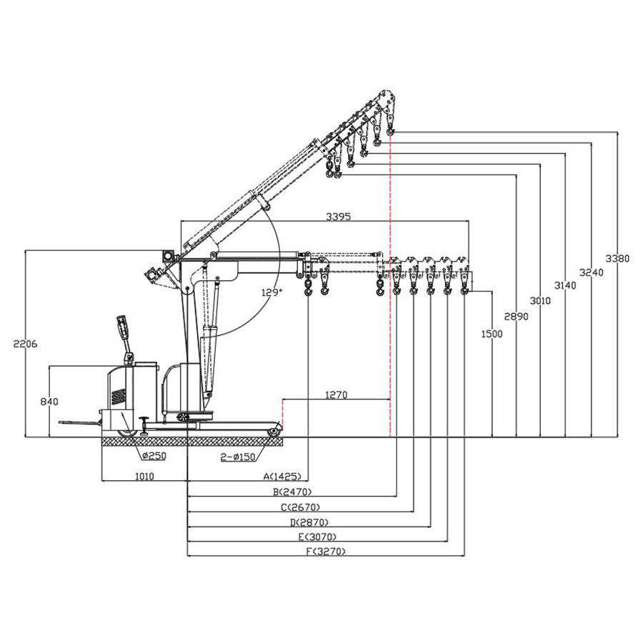
Powered Crane, 1000kg Capacity
- Electric Telescopic Fork Mounted Jibs
- 120° rotation
- Designed with 2 extending outspread legs (outriggers) for safe operation
- 3 position design, wide lifting range
- The hook can be controlled up and down by remote control
- High-power reversing switch, integrated hydraulic pump
- Integrated multi-function control handle
| . | A | B | C | D | E | F |
| Jib length(mm) | 1425 | 2470 | 2670 | 2870 | 3070 | 3270 |
| Rated capacity(kg) | 1000 | 650 | 562.5 | 475 | 387.5 | 300 |
| Jib rotation angle | ±60° | |||||
| Max climbing ability | 5° | |||||
| Turning radius(mm) | 2150 | |||||
| Overall width of leg(mm) | 852 | |||||
| Front wheel(mm) | ∅ 150*50 | |||||
| Rear wheel(mm) | ∅ 250*80 | |||||
| Brake | Electromagnetic braking | |||||
| Power of driving motor | 1.2 kw | |||||
| Power of lifting motor | 2.2 kw | |||||
| Battery (V/Ah) | 24/200(4PCS 100Ah battery) | |||||
| Charger (V/A) | 24/30 | |||||
| Cable length(m) | 10 | |||||
| Net weight(kg) | 954 | |||||
| Closed dimension(mm) | L 2200× W1100 ×H 155 | |||||















